EUROTEC不仅提供气动执行机构周边的附件,还提供高质量标准和创新设计。EUROTEC是德国的执行机构配件制造商之一,并在全球范围内立足。
我们通过不断开发产品系列、认证和产品认证来确保这一点。
EUROTEC主要产品:
限位开关盒
电磁阀
安装套件
执行器
配件
主要型号:
MBNE、MBNS、ARE、RHE、RHS、i-box、wave、neptun、flex-box、DPN、SEB、DRSD、SD

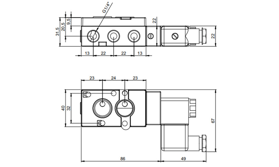
5/2和3/2通电磁阀的单独库存通常是有问题的,且成本高。你可能知道这样的情况:你收到了一份新订单,你的库存正好少了1件。但你还有很多其他类型的。您可以使用我们的MNF532系列NAMUR电磁阀来避免这种问题。通过创新且功能良好的反向密封,您可以将电磁阀用作5/2和3/2方式。您只有一种类型的库存,不仅可以控制单动执行器,还可以控制双动执行器。NAMUR电磁阀也有防爆型Ex nA、Ex ia、Ex dm和Ex d。我们的模块化库存可缩短所有常见电压的交货时间。
EUROTEC的单稳态NAMUR电磁阀适用于直接组装到您的气动旋转执行机构。由于其实用的反向密封,您将在一个电磁阀中获得3/2和5/2路功能,这一功能也将使存储变得容易。这样,您不仅可以调节弹簧回位,还可以使用同一电磁阀调节双作用气动执行器。
电磁阀类型:NAMUR,活塞滑阀,空气弹簧回位,间接操作
功能:5/2-和3/2路
供气口:G 1/4"
公称直径/气压/流速:5,5 mm/2-10 bar/950 l/min
阀体材料:阳极氧化铝
活塞/密封/螺钉材料:不锈钢AISI 303/NBR/不锈钢AISI 304
手动控制:自锁,黄铜
NAMUR板:NAMUR,PA6-30%玻璃纤维,排气反馈电路
介质:清洁、润滑/非润滑压缩空气
压缩空气质量:符合ISO 8573-1的5级
插头连接器:B型,M16x1,5(电缆直径4-8 mm)
电压
直流:12V、24V、48V、110V
交流:24V、48V、115V、230V
功耗
直流:3W
交流:5W
线圈绝缘等级:F(IEC 60317-13)
安全完整性等级:SIL 1-3(IEC 61508:2010)
环境温度:-20°C至+50℃

弹簧复位和双作用气动执行机构