德国Schubert & Salzer Control Systems公司于1883年成立,产品广泛应用于流程工业的各个领域。无论是化学生产、食品加工、瓶装灌装,还是钢铁、聚合物、造纸、太阳能电池及轮胎制造——简言之,凡是需要控制液态或气态流体的场所,我们都将为您提供支持。我们隶属于总部位于因戈尔施塔特Ingolstadt的Schubert & Salzer集团。通过遍布比荷卢三国、法国、印度、英国及美国的子公司,以及40余家国际合作伙伴,我们为您和您的客户提供“德国制造"的Schubert & Salzer优良产品。在能耗、耐用性及噪音控制方面,紧凑结构、高品质与控制特性使其安装维护便捷。同等功能下,我们的阀门采用更少材料制造,不仅更环保,重量也更轻。为保持这一优势,Schubert & Salzer公司的众多技术研发人员日夜致力于优化产品并满足客户需求——我们从不提供现成产品,只提供量身定制的解决方案。对精度的执着追求驱动着我们前行,因为保障您的工艺始终是我们的至高准则。“变革中求延续"这一由公司创始人卡尔·舒伯特与布鲁诺·萨尔泽提出的信条,贯穿了企业逾140年的发展历程。当年在Chemnitz创立的袜机制造厂,如今已成长为面向全球的Schubert & Salzer集团,其根基依然清晰可辨。Schubert & Salzer控制系统的阀门技术,意味着与客户携手共创个性化解决方案。我们的控制阀与截止阀在能耗、耐用性及噪音控制方面堪称当今市场更高。紧凑设计与高精度控制确保安装维护需求低,同时实现高行可靠性、工艺稳定性及超长使用寿命。
SCHUBERT&SALZER主要产品:
阀门、截止阀、手动阀、提升阀、座阀、滑动闸阀、球形扇形阀、分段式圆盘阀、夹管阀/隔膜阀、定位器、电动执行器、控制器

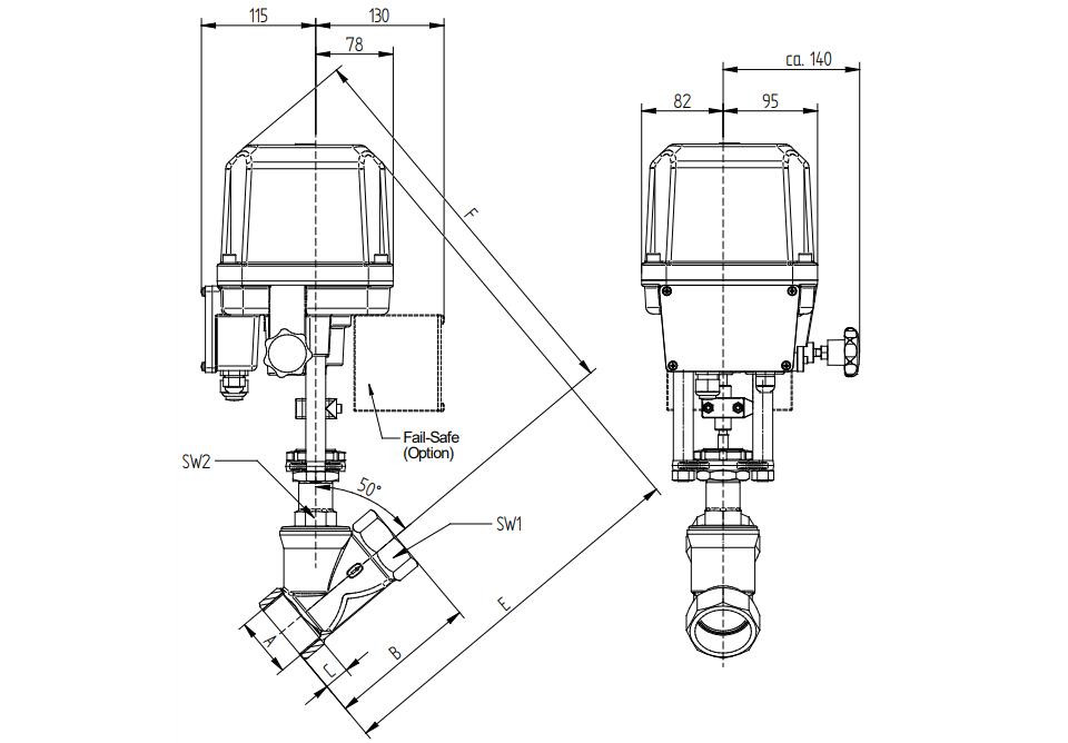
7310型高精度角座电动阀适用于中性及腐蚀性介质,可执行开关及调节操作。提供带失效防护功能的版本,适用于过程工程、化工行业及工厂设备中对中性至强腐蚀性介质的控制与切换。角座阀具备使用寿命长、开关可靠、高控制的特性。由于阀门执行机构相对于管道呈倾斜布置,紧凑型角座开关阀与调节阀即使在狭窄的空间内也能安装运行。阀体可与多种执行机构类型组合,广泛适用于工业管道系统的各类应用场景。
高速高分辨率电动阀
运行噪音低(静音运行)
小型执行器即可控制高压差
快速行程速度
死区小
启动平稳,减速缓慢
不锈钢阀体
适用温度范围:-50 至 +220 ℃

定位器电子元件
限位开关
位置反馈器
失效防护功能
产地 | 德国 |
控制力 | 2 kN,5 kN |
电机电压 | 24 VAC/DC,230 V,110/120 V |
控制方式 | 三点控制;(0)2 至 10 V;(0)4 至 20 mA |
适用介质 | 气体、蒸汽、液体 |
防护等级 | IP 67 |
主体材料 | 不锈钢1.4408 |
公称尺寸 | DN 40;1-1/2" |
连接方式 | |
管道螺纹符合ISO 228-1标准 | DN 40 - 80;1-1/2 至 3 " |
NPT螺纹 | DN 40 - 80;1-1/2 至 3 " |
焊接端 | DN 40 - 65;1-1/2 至 2-1/2 " |
卡箍连接 | DN 40 - 65;1-1/2 至 2-1/2 " |
公称压力 | PN 40 |
介质温度 | -30 至 200 ℃,可选-50 至 220 ℃ |
环境温度标准 | -10 至 +60 ℃ |
低温版本 | -40 至 +60 ℃ |
Max粘度 | 600 mm²/s (600 cSt) |
Max真空度 | 0.001 bar |
Max填料函工作压力 | 12 bar |
Max三夹头连接工作压力 | 16 bar |
填料泄漏量 | 按DIN EN ISO 15848-1及VDI 2440定义的TA-Luft标准测试 |
循环次数(故障) | 500000 |
使用寿命(故障) | 10年 |
诊断功能 | 存储电机及总使用寿命、温度和运行等级 |
阀门适应性 | 自动行程调节以适应阀门限位 |
附加输入 | 二进制输入 |
附加输出 | 2个报警输出 |
电气连接 | |
电源接口 | M20×1.5(可选NPT 1/2") |
信号/位置反馈 | 2x M16×1.5 |
