德国Micromat Spannhydraulik GmbH, Rutesheim液压夹紧解决方案的可靠合作伙伴
自 1989 年以来,我们一直在德国为球客户开发和制造高质量的液压夹紧元件和油缸元件。MICROMAT 产品主要应用于工具制造、设备制造、机械制造、铸造技术和汽车工业等领域。我们每天都在努力在较短的时间内为您提供更好的服务,并为您快速提供数据提供创新的解决方案。我们的目标是通过合作伙伴关系为客户提供量身定制的解决方案。无论您来自哪个分支机构,也无论您是批发商,都可以向我们提出挑战!我们提供支持!使用 Micromat 块式气缸,您可以控制力的大小!Micromat 积放式气缸受力范围大,尺寸紧凑,周期短,精度高,是许多生产任务的适配解决方案。
MICROMAT主要产品:
液压缸、工件夹紧元件、旋入式气缸、夹紧缸
主要型号:
M730、M731、M501、M502、M503、M504、M505、M506、M520、M521、M522、M523、M524

夹紧油缸可以多种用途,主要用于多夹具。在这种夹具中,单个元件可以紧密地排列在一起,而双重设计可以实现准确的循环时间。由于采用双作用设计,它们可以轻松安装,节省空间。
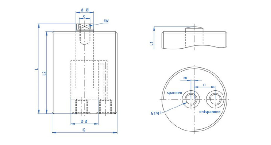
带外螺纹的圆柱形外壳
管螺纹连接
6 种型号
Max工作压力 500 巴
行程从 20 到 50 毫米
夹紧力Max 160 kN
带内螺纹的活塞杆

产地:德国
夹紧力范围:高达 160 kN
标准行程:20 至 50 毫米
安装位置:通过法兰安装固定
活塞速度Vmax:0.5 m/s
Max工作压力:500 巴
标准工作温度:-10 至 +60 ℃
氟橡胶:根据要求
活塞横向力:应避免,在任何情况下均不得大于气缸力的 5 %
介质:矿物油,符合 DIN 51524 标准
壳体:材料 C45k 经过抛光,活塞孔经过轧制或珩磨
活塞:一体式材料,表面硬化钢,活塞杆密封为串联式设计
尺寸公差:符合 DIN 7168m 标准
活塞直径 D:32 mm
活塞杆直径 d:16 mm
冲程:25 mm
夹紧力 100 bar 前进行程:8.0 kN
夹紧力 100 bar 回程:6.2 kN
夹紧力 500 bar 前进行程:40 kN
夹紧力 500 bar 回程:31 kN
G:M60×1.5
L:87.5 mm
L1:84.5 mm
L2:80 mm
m:3 mm
n:20 mm
o:M10×15 mm
sw:13 mm

用于多夹具